Email Kita
Warta

Konstruksi lan Pangopènan Penggali Mini

Konstruksi lan Pangopènan Penggali Mini


Minyakaya konstruksi mini lan pangopènan cerdas: awak cilik sing nggawa proyek gedhe


1, Analisis pambangunan Penggalian mini: patang teknologi dimensi ngradiki 'Space Magician'

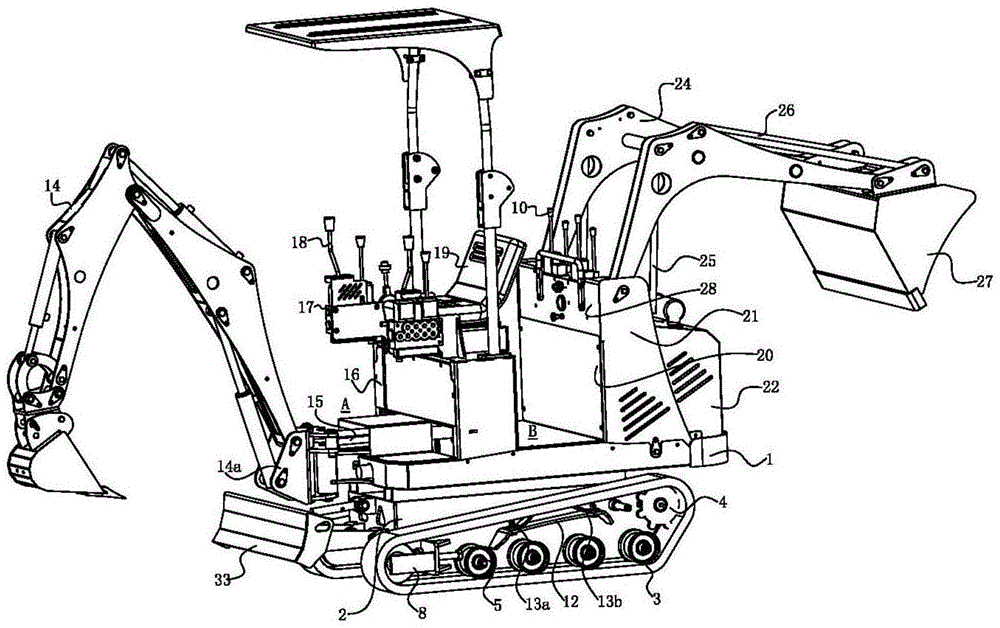
Sasis lan sistem mlaku:


Desain Turning Taling: Model kayata Sany Sy18u Adol "Struktur protusi" nol buntut protusi "kanthi radius buntut mung 0,86 meter, saéngga rotasi 360 °, saéngga rotasi 360 °, sing ngidini tembok. Ing wektu sing padha, penggali mini 0.8ton kita uga bisa nggayuh radius sing terus-terusan, saéngga operasi gratis lan fleksibel ing ruang sing sempit.


Frame track sing bisa diatur: Tenaga trek bisa diatur kanthi bebas (kayata Sy16C ndhukung ekspansi lan kontraksi sing ndhukung 980-1350m0, kanthi gampang nyebrang alangan sempit 1 meter. Tekanan pengembangan karet yaiku kurang 25kpa, nglindhungi lemah sing dipasang.


Bakar pelumas dhewe: The Yanmar Casis nggunakake iglidur G Series bantalan, nanging anti-pariwara tradisional, sing kalebu anti rouling, anti teyeng, nambah layanan kaping telu.




Sistem daya lan hidraulik:


Revolusi Daya Mode Dual: Penggali cilik nganggo Kubota Kx019, sing ndhukung diesel / listrik siji klik klik, lan gangguan baterei 20kwh, lan gangguan operasi njero ruangan kurang saka 66 decibels.


Kontrol hidraulik cerdas: Teknologi sensitif mbukak (kayata Shengang SK35SR-6) Entuk aliran distribusi distribusi ± 1,8%, kacepetan respon tumindak komposit 0.7 detik, lan panggunaan energi nyuda 22%.




Enhancement Equipment Work:


Nganggo struktur tahan: sendhi artisulasi boom kompak wis ngalami karburian panas (atose HRC55 +), lan ember hrc55 +), lan ember hrc55 +), lan ember hrc55 +), lan ember hrc55 +), lan atos HB500 kanthi 30%.


Paten paten obah: Kubota U-15-3 bisa nyuda penyimpangan 595mm / sing cocog saka 350mm, lan penggalian dipasang tembok ora mbutuhake awak.


Piranti Rotary, 360 ° Operasi kabeh-alun, fleksibel kanggo adaptasi karo macem-macem lingkungan sing digunakake.


Nganyarke interaksi komputer manungsa


Gulung taksi tahan: Disertifikasi dening ROPS / FOEL (tahan 16 ton tekanan statis), dilengkapi kursi ngambang, lan pemantauan AI ngubengi, lan suda suda kanthi 40%.


2, pangopènan lan perawatan saben dina:

Aturan emas pangopènan saben dinane


Manajemen Minyak Hydraulic: Gunakake minyak Hydraulic Nomer 68 ing musim panas lan lenga viskositas rendah nomer 32 ing mangsa adhem. Reguler mriksa kebersihan NAS (≤ Level 8) kanggo nyegah pompa lan katup.


Siklus ngisi butter: nyuntik pelumas saben 10 dina kanggo bantalan Rotary, lan nyuntik tekanan sing dhuwur kanggo titik ing piranti sing digunakake kanggo ngindhari poros.




Teknik Ekstration Urip Key:


Sistem trek: Nyetel ketegangan supaya ora ngeculake (untune mlumpat) utawa nyandhang nyandhang (nyandhang nyandhang); Sacara rutin ngresiki kerikil kanggo nyegah gagal nyapu rodha sing ndhukung.


Pangopènan saka segitiga "nganggo segitiga":

Trek Pemeriksaan Sepatu kanggo Cracks / 500h

Gigi sprocket drive lemah lan diganti langsung

Bocor minyak segel ing roda kudu didandani

Miturut Statistik Statistik Cat, 80% gagal sasis disebabake telung jinis komponen iki.


Pandhuan kanggo nangani kahanan sing kuat:


Operasi Altitude: Mesin turbochargator saka mini excavator duwe kompensasi kekuwatan saka 15%, lan sistem hidraulik dilengkapi katup kompensasi tekanan kanggo nyegah kerugian aliran.

Operasi Wading Water: Ing penyelamat banjir Italia, HX35az modern entuk ambane 0,8 meter liwat modul sirkuit sing ditutup.


Standar Panyimpenan Jangka panjang:


Taman ing kamar garing, dhukungan trek kanggo nyuda tekanan grounding;

Isi tank bahan bakar kanggo nyegah kondensasi, kanthi cepet kabeh silinder hidraulik kanggo nyegah seal tuwa;

Miwiti saben 3 wulan kanggo nyegah papan sirkuit ora lembab.


3, Frontier Teknologi: Elektronik lan cerdas saka Ekologi Industri

Revolusi Daya:


Baterei Modular: Hitachi ZX55U-6EB ndhukung dual Dual Drial tenaga komersial lan baterei, kanthi biaya cepet 2 jam kanggo entuk 10 jam operasi sajrone 6 jam.


Tes energen Hidrogen: Hyundai HD wis ngembangake mesin bahan bakar hidrogen (HX12) kanggo nggayuh konstruksi karbon Zero.


Pangopènan ramalan:


Diagnosis remot IOT: Sany Sy35u dilengkapi sistem mate hi, sing nganalisa suhu minyak lan data geter ing wektu nyata, kanthi ukuran peringatan kesalahan 92%.


Pitulungan Pangopènan Ar: Penggalian Kaise nyedhiyakake latihan operasi VR kanggo penggalian cilik, simulasi 30 skenario kesalahan lan nambah efisiensi perawatan 40%.


4, saksi praktis: Saka pemulihan omah kuno menyang pertambangan tlaga

Pemugaran sarjana Scholar Dinasti Ming lan Qing ing Taizhou: Kubota U-15-3-3-3-3-3-3 monsvavator cilik ngrampungake penggalian pipa lemah, lan gerakan gerakan boom sing dilindhungi Tembok kuno kanthi tarif utama kuno.


Operasi ing njero lemah ing tambang tembaga Chile: Penggalit kompak kanthi mbukak taksi sing diowahi kanthi terus-terusan sajrone 300 jam tanpa kesalahan, nyebabake pengurangan 23% ing biaya.


Tokyo Nighttime Municipal Konstruksi: Versi listrik murni saka The SANY SYY19E MINI MINI ngoperasikake penjual ing 66 decibels, ngrampungake masalah "jendela konstruksi".


Kesimpulan: Awak cilik nggawa masa depan gedhe

Saka model ultra-tipis 0,8-ton menyang prajurit abot saka 4-ton abot, para penggali cilik ngalami evolusi triple konsisi, sumber daya macem-macem, ngladeni program paradigma global. Kanthi disiapake taunan luwih saka 3100 unit ing pasar India lan tingkat seng nembus 40% kanggo motor listrik 2025, cilik kanggo entuk mbukak kesempatan emas ing pasar dolar triliun.


Pengalaman pangopènan industri:

Kanggo penggali kompak, Desain Precision minangka tulang punggung, nalika pangopènan cerdas yaiku lifeBlood, nylametake biaya pangopènan dening 1 yuan.



Warta sing gegandhengan
Ninggalake kula pesen
Mobile
alamat
Changjiang West Road, Distrik Qingdao, Kota Qingdao, Provinsi Shandong, China
X
Kita nggunakake cookie kanggo menehi pengalaman browsing sing luwih apik, nganalisa lalu lintas situs lan nggawe konten pribadi. Kanthi nggunakake situs iki, sampeyan setuju kanggo nggunakake cookie. Kebijakan Privasi
nolak Nampa